Thermoplongeur pharmaceutique Ø 6'' - 36000 W / 400 V tri - 6 W/cm2 - Ra 0,8

Référence : 2900.36
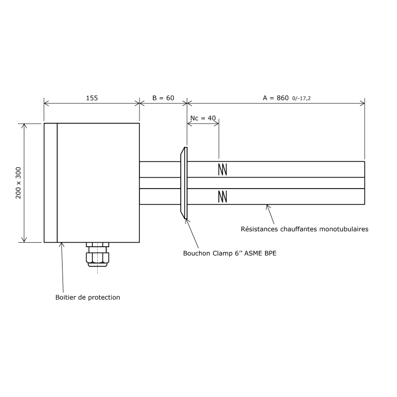
Thermoplongeur pharmaceutique 290036 Vulcanic Plan
search
  • Thermoplongeur pharmaceutique 290036 Vulcanic Plan

Thermoplongeur électrique sur bouchon Clamp Ø 6'', conforme à la norme ASME BPE, d'une puissance de 3000 W / 400 V tri, pour le chauffage de liquides (eau, solutions de NEP) jusqu'à 110 °C, destiné aux milieux agroalimentaires et pharmaceutiques. Il est constitué de 12 résistances chauffantes monotubulaires d'une longueur plongeante de 860 mm, chargées à 6 W/cm², soudées sur le bouchon. Tous les éléments en contact direct avec le fluide présentent un état de surface adapté (Ra 0,8) afin de minimiser les rétentions et les risques de contamination. Le thermoplongeur est équipé d'un boîtier de protection des connectiques en inox IP55. Pression maximale admissible : 8 bar.g.

Sur fabrication , Disponible sous 56 jours

Diamètre du bouchon clamp :
6''
Norme du bouchon clamp :
ASME BPE
Puissance du thermoplongeur (W) :
36000
Tolérance sur puissance :
+5/-10%
Tension d'alimentation :
400 V Tri
Température minimale admissible / TS mini (°C) :
-20
Température maximale admissible / TS maxi (°C) :
110
Pression maximale admissible / PS maxi (bar) :
8
Charge spécifique (W/cm2) :
6
Longueur plongeante A (mm) :
860
Nombre de résistances chauffantes :
12
Diamètre des résistances (mm) :
20
Matière des résistances chauffantes :
Inox 316L
Traitement des résistances :
Polissage mécanique + Passivation
Etat de surface des matériaux en contact avec le fluide :
Ra inférieur ou égal à 0,8
Matière du bouchon clamp :
Inox 316L
Liaison des résistances sur le bouchon :
Soudé
Longueur non chauffante Nc (mm) :
40
Déport des connectiques B (mm) :
60
Etancheité des résistances :
WP+ - Résine (Etancheité renforcée, 160 °C maxi au niveau des bornes)
Boitier de protection des connectiques :
Boitier modèle C1 - Inox - IP56
Diamètre du presse étoupe de puissance :
ISO 40
Matière des presse étoupes :
Polyamide
Dispositif de sécurité :
Sans
Masse (kg) :
18.8