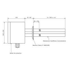
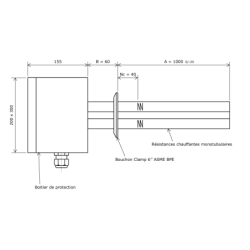
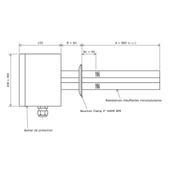
Thermoplongeur pharmaceutique Ø 6'' - 42000 W / 400 V tri - 6 W/cm2 - Ra 0,8
Référence : 2900.42
Sur fabrication
Disponible sous 56 jours




